
24小時服務熱線:135-0317-6066
Product display
Hot News
Contact Us
河北省獻縣滄恒環保設備廠
聯系人:王經理
電 話:0317-4641055
手 機:135-0317-6066
郵 箱:cangheng@qq.com
地 址:獻縣陳莊鎮經濟開發區



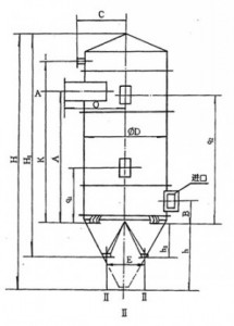
一、簡介
LHF型系列大氣回轉反吹袋式除塵器是我滄恒環保參考國內外資料,廣泛調查征求歷年來的用戶意見,凝聚了國內外各類袋式除塵器的優點研制而成,是將旋風除塵機理和過濾式除塵機理有機組合,采用大氣或回轉風反吹方式進行清灰的新型除塵裝置。一九九一年被評為優質產品,九二年被國務院環境保護委員會環保局列為最佳實用技術推廣項目。

二、工作原理
當含塵氣流進入除塵器后,先由旋風體將大顆粒粉塵分離落入灰斗,微小顆粒懸浮于氣體中通過氣流分布裝置,均勻進入過濾室彌漫于濾袋的間隙間。凈化氣體由主風機排出。粉塵被阻留在濾袋外表面,隨著粉塵的不斷增厚,除塵布袋的阻力也不斷增大,此時除塵器的定阻值壓差控制系統或定時值自控裝置發揮作用,觸發電控系統打開切換閥接通反吹氣流,通過旋轉臂上的吹口,逐個對濾袋進行反吹清灰,使濾袋阻力下降到一定的數值,維持除塵器的連續性工作。
三、技術性能
型號\參數、項目 | 過濾面積 | 濾袋參數 | 處理風量 | 重量 | 清灰機構 | |||||
規格 | 數量 | 圈數 | 過濾風速 | 風量 | 減速機 | 切換閥 | ||||
m2 | mm×mm | 只 | n | m/s | m3/h | T | kw | kw | ||
LHF-060 | A | 60 | 800×2250 | 30 | 1 | 0.5-1 | 1800-3600 | 5.1 | BWY | Mq1-15kg |
B | 1-1.5 | 3600-5400 | ||||||||
C | 1.5-2 | 5400-7200 | ||||||||
LHF-080 | A | 80 | 800×3000 | 30 | 1 | 0.5-1 | 2400-4800 | 5.8 | ||
B | 1-1.5 | 4800-7200 | ||||||||
C | 1.5-2 | 7200-9600 | ||||||||
LHF-120 | A | 120 | 800×2250 | 66 | 2 | 0.5-1 | 3600-7200 | 7.35 | ||
B | 1-1.5 | 7200-10800 | ||||||||
C | 1.5-2 | 10800-14000 | ||||||||
LHF-160 | A | 160 | 800×3000 | 66 | 2 | 0.5-1 | 4800-9600 | 7.98 | ||
B | 1-1.5 | 9600-14400 | ||||||||
C | 1.5-2 | 14400-19200 | ||||||||
LHF-240 | A | 240 | 800×2250 | 128 | 3 | 0.5-1 | 7200-14400 | 8.75 | ||
B | 1-1.5 | 14400-21600 | ||||||||
C | 1.5-2 | 21600-28800 | ||||||||
LHF-310 | A | 310 | 800×3000 | 128 | 3 | 0.5-1 | 9300-18600 | 9.7 | ||
B | 1-1.5 | 18600-27900 | ||||||||
C | 1.5-2 | 27900-37200 | ||||||||
LHF-380 | A | 380 | 800×2250 | 210 | 4 | 0.5-1 | 11400-22800 | 11.4 | ||
B | 1-1.5 | 22800-34200 | ||||||||
C | 1.5-2 | 34200-45600 | ||||||||
LHF-500 | A | 500 | 800×3000 | 210 | 4 | 0.5-1 | 15000-30000 | 13.6 | ||
B | 1-1.5 | 30000-45000 | ||||||||
C | 1.5-2 | 45000-60000 | ||||||||
備注:以上所有技術參數僅供參考,如有更改不另行通知。